The SZD11-32/300010-B is a three-phase (3P) manual load disconnect switch with an integrated advanced safety interlock function and a rated current of 32A. Its core design utilizes a base mounting system and a long-rod operating mechanism to enable external operation and enforce a mechanical interlock between the switch position and the cabinet door. This interlock mechanism ensures that the control cabinet door can only be opened when the switch is in the "OFF" position; conversely, the switch cannot close to the "ON" position when the cabinet door is open, fundamentally eliminating the risk of live operation and meeting the highest safety standards.
Core Features:
Safety Interlock and Isolation:
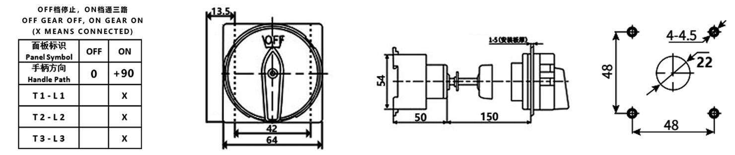
Function: Two-position (ON/OFF) operation. In the "ON" position, the three-phase main contacts (T1-L1, T2-L2, T3-L3) are reliably connected; in the "OFF" position, all poles are completely disconnected, providing a visible safety isolation point. An additional padlock can be added to this position (locker supplied separately) for double locking.
Door Interlock Mechanism: A mandatory mechanical interlock structure, a core safety device ensuring the safety of maintenance personnel. Installation and Operation:
Installation Method: The switch body base is installed inside the cabinet, and operation is achieved via a long rod transmission mechanism extending to the cabinet door panel. This design saves panel space and maintains the overall protective integrity of the cabinet.
Protection Rating: The switch body typically has high protection characteristics (specific rating needs confirmation). The design of the long rod mechanism and cabinet door must ensure that the protection at the operating point meets requirements.
Electrical Specifications:
Rated Operating Current: 32A
Rated Operating Voltage: AC 440V, 50Hz
Standards Compliance: GB/T 14048.3, IEC 60947-3
Performance Characteristics: Large insulation distance, fast breaking speed, safe and reliable.
Wiring and Lifespan:
Terminals: M3.5 screws, wire range 2.5–6.0 mm², tightening torque 0.8 N·m.
Electrical Lifespan: AC-23 (distribution) ≥ 10,000 cycles; AC-3 (motor) ≥ 6,000 cycles.
Operating Frequency: Rated duty cycle (8 hours) / Intermittent cycle duty ≤ 30 times/hour.
Operating Conditions: Ambient temperature -25°C to +40°C, altitude ≤ 2000m.
Application Scenarios: This switch is designed for industrial environments with strict requirements for operational safety, maintenance standards, and ease of installation.
Mandatory Safety Isolation Applications: Widely used in food and beverage, pharmaceutical, chemical, and water treatment industries, serving as a main power isolation and interlocking switch for production line control cabinets and equipment power boxes that must comply with strict safety interlocking regulations (such as LOTO).
Protective Cabinets Requiring External Operation: Suitable for scenarios where control cabinets and distribution boxes require safe operation outside the closed cabinet door. Power can be switched on and off without opening the cabinet door, improving operational safety and convenience.
Direct Motor Control and Safety Maintenance: Used to control small-capacity three-phase asynchronous motors (≤32A) and provide a physical isolation point with mandatory interlocking protection for their maintenance. It is a standardized configuration to ensure the safety of maintenance personnel.
English
русский
Español
Deutsch













